legines.com
스테인레스 스틸 감속기 육각 부싱 2530

스테인레스 스틸 감속기 육각 부싱 2530

스테인리스 스틸 감속기 헥스 부싱은 외부에 남성 파이프 테이퍼 (NPT) 나사산과 내부의 여성 NPT 스레드를 갖춘 고급 스레드와 다른 크기의 두 파이프를 연결합니다. 그것은 직선 스레드보다 더 단단한 씰을 생성하기위한 NPT 스레드와 16 각형 헤드를 사용하여 설치 및 분해 중에 렌치와 함께 레버리지를 증가시키고 사용합니다. 이 부싱은 강철로 만들어졌으며 철보다 더 큰 녹 저항을 제공하기 위해 아연 도금 마감 처리되어 물, 증기 및 공기 응용 분야에 사용할 수 있습니다. 클래스 150 Hex 부싱은 품질 보증을 위해 ASTM A53 및 ASME B 1.20.1 사양을 충족합니다. 클래스는 공차, 구조, 치수 및 벽 두께와 관련된 표준이지만 최대 작업 압력을 직접 측정하는 것은 아닙니다.

일반적인 응용 프로그램 :
그리스, 냉장, 계측 및 유압 시스템

장점 :
Dryseal 파이프 실 (bspt (r)/bsp (g). 크기 및 구성 범위

저희에게 연락하십시오

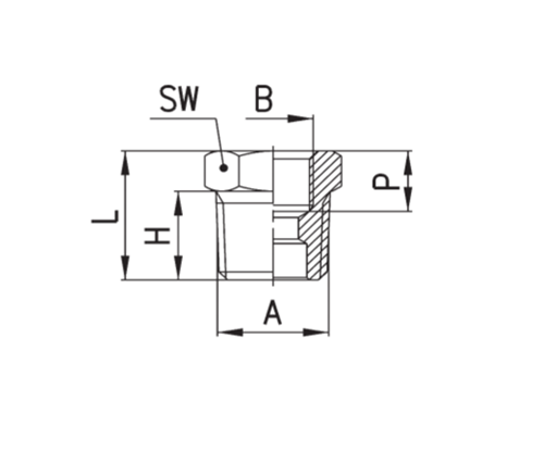
명세서

부분#

스레드 크기 a × b

S.W

시간

2350-ba

R1/4 × G1/8 14 16.0 11

2350-ca

R3/8 × G1/8 17 16.5 11.5

2350-CB

R3/8 × G1/4 17 19.5 11.5

2350-DB

R1/2 × G1/4 22 19.5 14.0

2350-DC

R1/2 × G3/8 22 19.5 15.0

2350-EC

R3/4 × G3/8 22 23.0 16.5

2350-ed

R3/4 × G1/2 27 23.5 16.5

2350-HD

R1 "× G1/2 34 27.0 19.0

그것은 철보다 더 큰 녹 저항을 제공하기 위해 아연 도금 마감 처리되어 있으며 물, 증기 및 공기 적용에 사용될 수 있습니다. 이 부싱은 강철로 만들어져 있으며, 설치 및 분해 중에 렌치와 함께 레버리지를 증가시키고 사용하기 위해 육각형 헤드가 있습니다. 또한 직선형 스레드보다 더 단단한 씰을 생성하기위한 NPT 스레드가 있으며 다양한 크기의 두 파이프를 연결하는 데 사용할 수 있습니다.

우리와 연락하십시오

에 대한 국경

레거지 산업 기계 인 Inc.

전문 중국 황동 피팅 제조업체 및 피팅 공급 업체를 밀어 넣습니다. 전체 CNC 가공을 채택하고 3600 평방 미터의 워크샵 영역을 소유하고 있습니다. 45 자동 공작 기계, 35 개의 반자동 CNC 공작 기계 및 유통 업체는 중국에서 미국 표준 황동 부품 생산에 중요한 공급 업체가 된 유통 업체 ...
  • 명예
  • 명예

지침 & 소식