legines.com
BSPT/BSPP 육각 젖꼭지 파이프 피팅 2500

BSPT/BSPP 육각 젖꼭지 파이프 피팅 2500

"2 개의 나사 파이프 또는 피팅을 연결하고 파이프 길이를 확장하기위한 육각 니플, 렌치로 조이기위한 육각형 중간 부분.
여성 나사 파이프에 연결하기위한 수컷 NPT 스레드.
부식성, 고온에서의 연성 및 낮은 자기 투과성을위한 단조 황동.
최대 1200psi의 작동 압력, 온도 범위 -40 ° F ~ 160 ° F. "

일반적인 응용 프로그램 :
그리스, 냉장, 계측 및 유압 시스템

장점 :
Dryseal 파이프 실 (bspt (r)/bsp (g). 크기 및 구성 범위

저희에게 연락하십시오

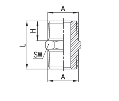
명세서

부분#

스레드 크기 a

S.W

시간

2500-A

R1/8

12

19.5

7.5

2500-B

R1/4

14

27.0

11.0

2500-c

R3/8

17

28.0

11.5

2500-D

R1/2

22

33.5

14.0

2500-E

R3/4

27

40.0

16.5

2500-F

R1 "

34

45.5

19

경제적이고 고품질 육각 니플 파이프 피팅은 Dryseal (안전) 스레드가있는 두 파이프 사이에 강성 조인트를 제공하도록 설계되었습니다. 난방 및 냉각 응용을 포함한 물, 공기 및 오일 시스템에서 사용할 수 있습니다. 재료는 더 큰 강도와 내구성을 위해 부식성, 비자 성 및 전기 도금입니다.

우리와 연락하십시오

에 대한 국경

레거지 산업 기계 인 Inc.

전문 중국 황동 피팅 제조업체 및 피팅 공급 업체를 밀어 넣습니다. 전체 CNC 가공을 채택하고 3600 평방 미터의 워크샵 영역을 소유하고 있습니다. 45 자동 공작 기계, 35 개의 반자동 CNC 공작 기계 및 유통 업체는 중국에서 미국 표준 황동 부품 생산에 중요한 공급 업체가 된 유통 업체 ...
  • 명예
  • 명예

지침 & 소식