legines.com
강철 감소 젖꼭지 2510

강철 감소 젖꼭지 2510

포함하다:
육각 젖꼭지 감소 : 1 PC;
어댑터 감소 : 1 PC;

파이프 피팅은 다양한 산업에서 배관 방향을 연결, 종단, 제어 및 배관 방향 변경하는 데 사용되는 구성 요소입니다. 파이프 피팅을 구매할 때는 물질 유형, 모양, 크기 및 필요한 내구성에 영향을 미치기 때문에 응용 프로그램을 고려하십시오. 피팅은 많은 모양, 스타일, 크기 및 일정 (파이프 벽 두께)으로 스레드 또는 스레드되지 않은 이용 가능합니다.

일반적인 응용 프로그램 :
그리스, 냉장, 계측 및 유압 시스템

장점 :
Dryseal 파이프 실 (bspt (r)/bsp (g). 크기 및 구성 범위

저희에게 연락하십시오

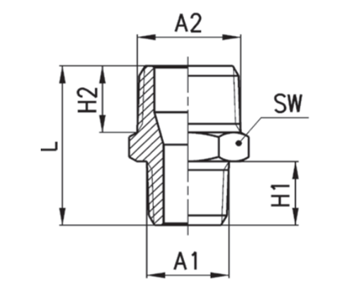
명세서

부분#

스레드 크기 A1 × A2

S.W

시간

2510-AB

R1/8 × R1/4

14

23.5

7.5

2510-AC

R1/8 × 3/8 17 24.0 7.5

2510-bc

R1/4 × R3/8

17

27.5

11.0

2510-BD

R1/4 × R1/2

22

30.5

11.0

2510-CD

R3/8 × R1.2

22

31.0

11.5

2510-de

R1/2 × R3/4

27

37.5

14.0

우리와 연락하십시오

에 대한 국경

레거지 산업 기계 인 Inc.

전문 중국 황동 피팅 제조업체 및 피팅 공급 업체를 밀어 넣습니다. 전체 CNC 가공을 채택하고 3600 평방 미터의 워크샵 영역을 소유하고 있습니다. 45 자동 공작 기계, 35 개의 반자동 CNC 공작 기계 및 유통 업체는 중국에서 미국 표준 황동 부품 생산에 중요한 공급 업체가 된 유통 업체 ...
  • 명예
  • 명예

지침 & 소식