legines.com
니켈 도금 환원 젖꼭지 2501

니켈 도금 환원 젖꼭지 2501

2 개의 나사 파이프 또는 피팅을 연결하고 파이프 길이를 확장하기위한 니켈 도금 젖꼭지
-여성 스레드 파이프에 연결하기위한 남성 NPT 스레드
-렌치로 조이기위한 무신간 중간 섹션
-부식 저항, 고온에서의 연성 및 낮은 자기 투과성에 대한 브라스

일반적인 응용 프로그램 :
그리스, 냉장, 계측 및 유압 시스템

장점 :
Dryseal 파이프 실 (bspt (r)/bsp (g). 크기 및 구성 범위

저희에게 연락하십시오

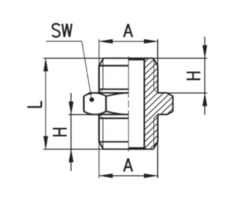
명세서

부분#

스레드 크기 a

S.W

시간

2501-M5

M5

8

11.5

4.0

2501-A

G1/8

13

16.5

6.0

2501-B

G1/4

17

21.0

8.0

2501-C

G3/8

19

23.0

9.0

2501-D

G1/2

24

25.5

10.0

우리와 연락하십시오

에 대한 국경

레거지 산업 기계 인 Inc.

전문 중국 황동 피팅 제조업체 및 피팅 공급 업체를 밀어 넣습니다. 전체 CNC 가공을 채택하고 3600 평방 미터의 워크샵 영역을 소유하고 있습니다. 45 자동 공작 기계, 35 개의 반자동 CNC 공작 기계 및 유통 업체는 중국에서 미국 표준 황동 부품 생산에 중요한 공급 업체가 된 유통 업체 ...
  • 명예
  • 명예

지침 & 소식