legines.com
105L 스틸 튜브 긴 실 너트

105L 스틸 튜브 긴 실 너트

제품 기능 :
■■ 모든 황동 구조
■■ 가연성 액체 및 가스에 대한 UL
■■ SAE J512의 기능 요구 사항을 충족합니다
■■ 경제를위한 스틸 너트

시장 : 응용 프로그램 :
■■ 공기 조절 ■■ 냉매 라인
■■ 선박 ■■ 브레이크 라인
■■ 이동하는 ■■ 연료 라인
■■ 엔진

호환 튜브 :
■■ 구리
■■ 놋쇠
■■ 알류미늄
■■ 용접 강철 유압 튜브

참조 부품 번호 :

저희에게 연락하십시오

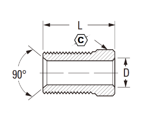
명세서

부분#

튜브 O.디

기음

D

105L-3

3/16 3/8 .196

.844

105L-4

1/4 7/16 .257 .812

이것은 황동 구조, 최대 1/4 "O.D. 재료의 튜브 용 긴 실 너트입니다. 가연성 액체 및 가스 용 UL을 특징으로하며 SAE J512 & UL 923/UL 181 표준의 기능적 요구 사항을 충족하며 FMVSS 135 및 FMVSS 302 사양을 준수합니다.
스테인레스 스틸 튜브 너트를 찾고 계십니까? 이 목록은 당신을위한 것입니다! 105L 스테인리스 스틸 튜브 롱 스레드 너트는 모든 황동 구조로 구축되어 SAE J512의 기능적 요구 사항을 충족하는 배관 시스템으로 크게 업그레이드됩니다. 많은 크기로 제공되므로 확인하십시오.

우리와 연락하십시오

에 대한 국경

레거지 산업 기계 인 Inc.

전문 중국 황동 피팅 제조업체 및 피팅 공급 업체를 밀어 넣습니다. 전체 CNC 가공을 채택하고 3600 평방 미터의 워크샵 영역을 소유하고 있습니다. 45 자동 공작 기계, 35 개의 반자동 CNC 공작 기계 및 유통 업체는 중국에서 미국 표준 황동 부품 생산에 중요한 공급 업체가 된 유통 업체 ...
  • 명예
  • 명예

지침 & 소식