legines.com
100 황동 거꾸로 된 플레어 피팅 튜브 너트

100 황동 거꾸로 된 플레어 피팅 튜브 너트

제품 기능 :
■■ 모든 황동 구조
■■ 가연성 액체 및 가스에 대한 UL
■■ SAE J512의 기능 요구 사항을 충족합니다
■■ 경제를위한 스틸 너트

시장 : 응용 프로그램 :
■■ 공기 조절 ■■ 냉매 라인
■■ 선박 ■■ 브레이크 라인
■■ 이동하는 ■■ 연료 라인
■■ 엔진

호환 튜브 :
■■ 구리
■■ 놋쇠
■■ 알류미늄
■■ 용접 강철 유압 튜브

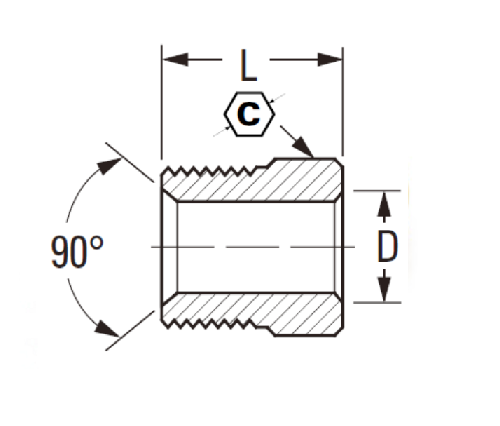
참조 부품 번호 :
2100 41if -100-41ib

저희에게 연락하십시오

명세서

부분#

튜브 O.디

기음

D

100-3

3/16 3/8 .196

.56

100-4

1/4 7/16 .259 .56

100-5

5/16 1/2 .321 .62

100-6

3/8 5/8 .384 .66

100-8

1/2

3/4

.508

.74

*Ref.sae No.040110 Ba

튼튼하고 경제적 인이 거꾸로 된 플레어 피팅은 황동으로 만들어집니다. 피팅에는 안전을위한 강철 너트가 포함되어 있으며 구리, 황동 또는 알루미늄 튜브와 함께 사용할 수 있습니다. SAE J512의 모든 기능 요구 사항을 충족합니다.
올 브래스 구조, 100% ASME B16.28, SAE J512 및 SAE J5195.0 압축기 피팅은 증기 및 물의 고온 응용 분야에 사용하도록 설계되었습니다. 파이프 호환성을 날려 버리면 최대 1 인치 (25 밀리미터)의 강철 튜브 또는 파이프에 연결할 수 있습니다.
일반적으로 커플러로 알려진이 역 플레어 피팅 튜브 너트는 동일한 평면에 두 개의 튜브를 연결하도록 설계되었습니다. 피팅은 플레어 엔드가있는 스틸 너트를 사용하여 튜브의 다른 쪽 끝에 암 플레어 피팅에 맞습니다. 이 피팅은 에어컨에서 해양 및 모바일 디젤 엔진에 이르기까지 다양한 응용 분야에서 광범위하게 사용됩니다.
헤비 듀티 -이 반전 플레어 피팅은 완전히 황동으로 만들어졌으며 구리 또는 알루미늄 튜브와 함께 사용되도록 특별히 설계되었습니다. 각 피팅은 완전히 조절할 수 있으며 중력 구조는 사용 중에 내구성을 보장합니다.

우리와 연락하십시오

에 대한 국경

레거지 산업 기계 인 Inc.

전문 중국 황동 피팅 제조업체 및 피팅 공급 업체를 밀어 넣습니다. 전체 CNC 가공을 채택하고 3600 평방 미터의 워크샵 영역을 소유하고 있습니다. 45 자동 공작 기계, 35 개의 반자동 CNC 공작 기계 및 유통 업체는 중국에서 미국 표준 황동 부품 생산에 중요한 공급 업체가 된 유통 업체 ...
  • 명예
  • 명예

지침 & 소식