legines.com
131 스틸 역 브레이크 라인 플러그

131 스틸 역 브레이크 라인 플러그

제품 기능 :
■■ 모든 황동 구조
■■ 가연성 액체 및 가스에 대한 UL
■■ SAE J512의 기능 요구 사항을 충족합니다
■■ 경제를위한 스틸 너트

시장 : 응용 프로그램 :
■■ 공기 조절 ■■ 냉매 라인
■■ 선박 ■■ 브레이크 라인
■■ 이동하는 ■■ 연료 라인
■■ 엔진

호환 튜브 :
■■ 구리
■■ 놋쇠
■■ 알류미늄
■■ 용접 강철 유압 튜브

저희에게 연락하십시오

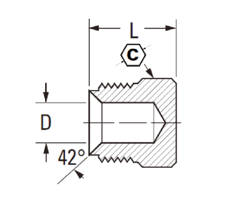
명세서

부분#

튜브 O.디

기음

D

131-3

3/16 3/8 .188

.53

131-4

1/4 7/16 .188 .54

131-5

5/16 1/2 .250 .59

131-6

3/8 5/8 .312 .66

*Ref.sae No.040109 Ba

우리의 131 개의 황동 거꾸로 된 브레이크 라인 피팅은 가스 및 연료 라인을 위해 특별히 설계되었습니다. 역 디자인은 타이트한 응용 프로그램에서 누출이없는 연결을 제공합니다.
131 스틸 거꾸로 된 브레이크 라인 플러그는 유연한 튜브의 터미널 끝을 밀봉하도록 설계된 화재 또는 가솔린 호환 거꾸로 된 렌치 스타일 플러그입니다. 부식 저항성을 위해 아연 도금 강철로 만들어졌으며 왜곡에 대한 강도를 제공하는 적분 플라스틱 삽입물로 만들어집니다. 황동 구조와 함께 제공됩니다.
이 제품은 놋쇠 및 강철 도금 플러그로 거꾸로 된 플레어 피팅입니다. 1/8 튜브를 받아들이도록 만들어졌습니다. 치수는 .53 "직경의 .54"깊이입니다.이 스타일의 플러그는 구리, 강철 및 알루미늄 튜브에서만 사용할 수 있습니다.
경제는 종종 브레이크 라인 응용 프로그램에서 게임의 이름입니다. 그리고이 라인 플러그보다 돈을 절약 할 수있는 더 좋은 방법은 없지만 라인에서 신선한 공기를 막아 주지만 앞으로 몇 년 동안 지속될 것입니다. 강철 너트와 황동 배럴이 있으면 귀하의 요구를 충족시킬 것입니다.

우리와 연락하십시오

에 대한 국경

레거지 산업 기계 인 Inc.

전문 중국 황동 피팅 제조업체 및 피팅 공급 업체를 밀어 넣습니다. 전체 CNC 가공을 채택하고 3600 평방 미터의 워크샵 영역을 소유하고 있습니다. 45 자동 공작 기계, 35 개의 반자동 CNC 공작 기계 및 유통 업체는 중국에서 미국 표준 황동 부품 생산에 중요한 공급 업체가 된 유통 업체 ...
  • 명예
  • 명예

지침 & 소식