legines.com
502 반전 플레어 유니온 엘보우

502 반전 플레어 유니온 엘보우

제품 기능 :
■■ 모든 황동 구조
■■ 가연성 액체 및 가스에 대한 UL
■■ SAE J512의 기능 요구 사항을 충족합니다
■■ 경제를위한 스틸 너트

시장 : 응용 프로그램 :
■■ 공기 조절 ■■ 냉매 라인
■■ 선박 ■■ 브레이크 라인
■■ 이동하는 ■■ 연료 라인
■■ 엔진

호환 튜브 :
■■ 구리
■■ 놋쇠
■■ 알류미늄
■■ 용접 강철 유압 튜브

참조 부품 번호 :
502-450

저희에게 연락하십시오

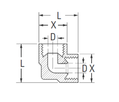
명세서

부분#

튜브 O.디

D

502-4 1/4 .188 .53 .77
*502-5 5/16 .219 .59 .86
*502-6 3/8 .281 .72 1.04

*표준이 아닙니다

*Ref.sae No.040201 Ba

502 거꾸로 된 플레어 연합 팔꿈치는 플레어 연합으로, 부품의 다운 스트림 측면에서 튜브를위한 보편적으로 호환되는 연결을 제공합니다. 그것은 모든 황동 구조를 가지고 있으며, 가연성 액체 및 가스 용으로 나열되어 있으며 SAE J512의 기능적 요구 사항을 충족합니다. 경제를위한 스틸 너트 참조 번호를 확인하십시오.
이 Union Elbow는 냉장 및 에어컨 시스템에 사용되는 배관 피팅입니다. 일반적으로 구리,은 또는 황동 튜브에 연결됩니다. 플레어 피팅에는 배수 구멍이 포함되어있어 튜브에서 응축을 배출하는 데 도움이됩니다.

우리와 연락하십시오

에 대한 국경

레거지 산업 기계 인 Inc.

전문 중국 황동 피팅 제조업체 및 피팅 공급 업체를 밀어 넣습니다. 전체 CNC 가공을 채택하고 3600 평방 미터의 워크샵 영역을 소유하고 있습니다. 45 자동 공작 기계, 35 개의 반자동 CNC 공작 기계 및 유통 업체는 중국에서 미국 표준 황동 부품 생산에 중요한 공급 업체가 된 유통 업체 ...
  • 명예
  • 명예

지침 & 소식