legines.com
252 역 플레어 암컷 어댑터 피팅

252 역 플레어 암컷 어댑터 피팅

제품 기능 :
■■ 모든 황동 구조
■■ 가연성 액체 및 가스에 대한 UL
■■ SAE J512의 기능 요구 사항을 충족합니다
■■ 경제를위한 스틸 너트

시장 : 응용 프로그램 :
■■ 공기 조절 ■■ 냉매 라인
■■ 선박 ■■ 브레이크 라인
■■ 이동하는 ■■ 연료 라인
■■ 엔진

호환 튜브 :
■■ 구리
■■ 놋쇠
■■ 알류미늄
■■ 용접 강철 유압 튜브

참조 부품 번호 :
461fhd -252-46w

저희에게 연락하십시오

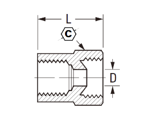
명세서

부분#

튜브 O.디 × 스레드

기음

D

252-3A

3/16 × 1/8 15/32 .125 .62

252-4A

1/4 × 1/8 17/32 .188 .62

252-5B

5/16 × 1/4 19/32 .220 .70

252-6B

3/8 × 1/4 3/4 .281 .80

252-8C

1/2 × 3/8 29/32 .406 .91

*Ref.sae No.040103 Ba

이 모든 황동 여성 플레어 어댑터에는 표준 수컷 플레어 피팅과 함께 사용하기위한 역 플레어가 있습니다. 누출을 방지하기 위해 안정적인 씰을 제공하며 SAE J512가 승인됩니다. 스틸 너트는 영구적으로 설치된 플레어 피팅을 단기간에 여전히 제거하거나 다시 설치 해야하는 경제 응용 프로그램에 권장됩니다.
추가적인 다양성과 내구성을 제공하는 252 시리즈는 외부 직경이 3/16 ", 1/4", 5/16 "및 3/8"인 파이프를 수용합니다. 이를 통해 거의 모든 탱크 피팅과 호환됩니다. 또한 내구성이 뛰어난 건축에 깊은 인상을 줄 수있어 몇 번이나 사용하더라도 장기적인 삶을 보장합니다.
이 어댑터 피팅은 튜브를 호스와 밸브에 연결하도록 설계되었습니다. 황동으로 만들어진이 피팅은 업계 표준을 충족하며 자동차 및 해양 응용 프로그램에 사용하도록 설계되었습니다.
역 플레어 암컷 어댑터는 SAE 1/2 "NPT 스레드 및 SAE 3/8"튜브와 호환되는 암컷 피팅입니다. 내구성있는 재료로 제작되고 광범위한 용도로 설계된이 피팅은 모든 가정 또는 사업에 적합합니다.

우리와 연락하십시오

에 대한 국경

레거지 산업 기계 인 Inc.

전문 중국 황동 피팅 제조업체 및 피팅 공급 업체를 밀어 넣습니다. 전체 CNC 가공을 채택하고 3600 평방 미터의 워크샵 영역을 소유하고 있습니다. 45 자동 공작 기계, 35 개의 반자동 CNC 공작 기계 및 유통 업체는 중국에서 미국 표준 황동 부품 생산에 중요한 공급 업체가 된 유통 업체 ...
  • 명예
  • 명예

지침 & 소식