legines.com
402 반전 플레어 90 ° 남성 팔꿈치 피팅

402 반전 플레어 90 ° 남성 팔꿈치 피팅

제품 기능 :
■■ 모든 황동 구조
■■ 가연성 액체 및 가스에 대한 UL
■■ SAE J512의 기능 요구 사항을 충족합니다
■■ 경제를위한 스틸 너트

시장 : 응용 프로그램 :
■■ 공기 조절 ■■ 냉매 라인
■■ 선박 ■■ 브레이크 라인
■■ 이동하는 ■■ 연료 라인
■■ 엔진

호환 튜브 :
■■ 구리
■■ 놋쇠
■■ 알류미늄
■■ 용접 강철 유압 튜브

참조 부품 번호 :
4000-2400-2491IFHD -2491IF -49W

저희에게 연락하십시오

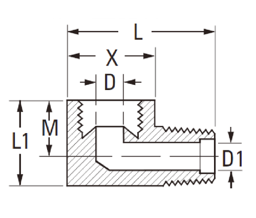
명세서

부분#

튜브 O.디 × 남성 실

엑스

D

402-2A

1/8 × 1/8 .42 .078 .80

402-3A

3/16 × 1/8 .47 .125 .70

402-4A

1/4 × 1/8 .53 .188 .74

402-4B

1/4 × 1/4 .56 .188 .89

402-5A

5/16 × 1/8 .59 .219 .79

402-5B

5/16 × 1/4 .59 .220 .98

402-6A

3/8 × 1/8 .76 .281 .89

402-6B

3/8 × 1/4 .76 .281 1.03

402-6C

3/8 × 3/8 .75 .281 1.01

402-8B

1/2 × 1/4 .91 .406 1.08

402-8C

1/2 × 3/8 .92 .406 1.07
402-8d 1/2 × 1/2 .91 .406 1.26
402-10D 5/8 × 1/2 1.06 .531 1.32

*Ref.sae No.040202 Ba

Flared 90 ° 팔꿈치를 사용하면 직각으로 두 줄을 쉽게 연결할 수 있습니다. 그들은 물, 에어컨 및 냉매 라인, 브레이크 라인 및 연료 라인의 방향을 바꾸는 데 사용됩니다. 올 브래스 구조 및 강철 너트는 강철 유압 고무 호스와 함께 사용하기에 이상적입니다.
이 플레어 90 ° 팔꿈치는 모든 황동 구조이며, 가연성 액체 및 가스 용 UL은 SAE J512, 1/8 "X1/8"튜브의 1/2 "X1/2"수컷 피팅의 기능적 요구 사항을 충족합니다. 경제를위한 스틸 너트는 대부분의 OEM 자동차 제조업체 표준을 충족합니다.
이것은 황동으로 구성되어 배관에 사용되는 NPT 수컷 팔꿈치 피팅입니다. 이 피팅은 다양한 재료와 크기로 만들어진 파이프를 연결하는 저렴한 방법을 제공합니다.

우리와 연락하십시오

에 대한 국경

레거지 산업 기계 인 Inc.

전문 중국 황동 피팅 제조업체 및 피팅 공급 업체를 밀어 넣습니다. 전체 CNC 가공을 채택하고 3600 평방 미터의 워크샵 영역을 소유하고 있습니다. 45 자동 공작 기계, 35 개의 반자동 CNC 공작 기계 및 유통 업체는 중국에서 미국 표준 황동 부품 생산에 중요한 공급 업체가 된 유통 업체 ...
  • 명예
  • 명예

지침 & 소식