legines.com
602 남성 지점 TEE 반전 플레어 피팅

602 남성 지점 TEE 반전 플레어 피팅

제품 기능 :
■■ 모든 황동 구조
■■ 가연성 액체 및 가스에 대한 UL
■■ SAE J512의 기능 요구 사항을 충족합니다
■■ 경제를위한 스틸 너트

시장 : 응용 프로그램 :
■■ 공기 조절 ■■ 냉매 라인
■■ 선박 ■■ 브레이크 라인
■■ 이동하는 ■■ 연료 라인
■■ 엔진

호환 튜브 :
■■ 구리
■■ 놋쇠
■■ 알류미늄
■■ 용접 강철 유압 튜브

참조 부품 번호 :
145-2451ifhd -602-2600-600

저희에게 연락하십시오

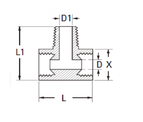
명세서

부분#

튜브 O.디 × 남성 실

D

D1

엑스

L1

602-3A

3/16 × 1/8 .125 .219 .84 .82 .84

602-4A

1/4 × 1/8 .188 .219 .91 .84 .91

602-5A

5/16 × 1/8 .219 .219 .97 .95 .97

602-6B

3/8 × 1/4 .344 .344 1.31 1.16 1.31

602는 3/16”O.D. x 1/8”남성 실 및 78의 L1을 갖춘 최고 품질의 모든 황동 거꾸로 피팅입니다. 피팅은 표준 424로 설계되었습니다. 602는 SAE J512의 기능적 요구 사항을 충족합니다.
우리의 602 시리즈 남성 피팅은 모든 브래스 재료로 건축되며 U.L. 가연성 액체 및 가스 등급. 이 피팅은 저압 배관과 높은 유량이 필요한 응용 프로그램을 위해 설계됩니다. 냉장, 해양 및 엔진 응용 분야에서 찾을 수 있습니다.
분기 티 피팅은 튜브 직경이 피팅에 들어가는 튜브보다 큰 경우를 제외하고는 분기 파이프 피팅과 유사한 방식으로 설치됩니다. 지점 티 튜브 피팅은 특정 응용 프로그램 요구 사항을 충족하기 위해 다양한 재료 유형 및 크기로 제공됩니다.

우리와 연락하십시오

에 대한 국경

레거지 산업 기계 인 Inc.

전문 중국 황동 피팅 제조업체 및 피팅 공급 업체를 밀어 넣습니다. 전체 CNC 가공을 채택하고 3600 평방 미터의 워크샵 영역을 소유하고 있습니다. 45 자동 공작 기계, 35 개의 반자동 CNC 공작 기계 및 유통 업체는 중국에서 미국 표준 황동 부품 생산에 중요한 공급 업체가 된 유통 업체 ...
  • 명예
  • 명예

지침 & 소식