legines.com
45# SAE 45 ° 플레어 황동 단조 남성 가지 티

45# SAE 45 ° 플레어 황동 단조 남성 가지 티

제품 기능 :
■■ 모든 황동 구조
■■ 긴 너트를 사용하여 진동에 저항합니다
■■ ul 리스팅
■■ SAE J512 및 J513의 기능적 요구 사항


시장 : 응용 프로그램 :
■■ 냉각 ■■ 냉매 라인
■■ 헤비 듀티 트럭 ■■ 프로판
■■ 이동하는 ■■ 연료
■■ 산업 ■■ 어댑터
■■ 난방 ■■ 천연 가스
■■ 공기 조절

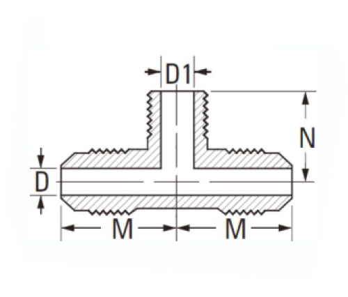
참조 부품 번호 :
T1-145F -45-10203 ~ 10221

저희에게 연락하십시오

명세서

부분#

플레어 O.디 × Thared

D

N

45-3A

3/16 × 1/8

.126

.75

.75

45-4A

1/4 × 1/8

.189

.78

.78

45-4B

1/4 × 1/4

.189

.88

.88

45-5A

5/16 × 1/8

.219

.88

.80

45-5B

5/16 × 1/4

.219

1.00

.94

45-6B

3/8 × 1/4

.282

1.00

.94

45-6C

3/8 × 3/8

.282

1.00

1.00

45-6d

3/8 × 1/2

.282

1.12

1.12

45-8C

1/2 × 3/8

.408

1.16

1.09

45-8D

1/2 × 1/2

.408

1.22

1.22

45-1od

5/8 × 1/2

.500

1.41

1.31

45-12d

3/4 × 1/2

.625

1.63

1.59

45-12E

3/4 × 3/4

.625

1.63

1.44

*Ref.SAE No.010425

45 ° 플레어 황동 남성 분기 티는 배관 시스템에 대한 옵션을 제공합니다. 이 나사산 피팅은 산업 표준에 따라 필요한 경우 플레어 또는 스피터 끝과 함께 작동하는 데 양쪽에서 사용할 수 있다는 점에서 보편적입니다. 우리의 모든 제품은 황동으로 만들어졌으며 내구성이 뛰어나고 신뢰할 수 있습니다. 이 장치는 UL이 나열되어 있으며 SAE J512 및 J513의 기능 요구 사항을 충족합니다. 요청시 추가 크기.

우리와 연락하십시오

에 대한 국경

레거지 산업 기계 인 Inc.

전문 중국 황동 피팅 제조업체 및 피팅 공급 업체를 밀어 넣습니다. 전체 CNC 가공을 채택하고 3600 평방 미터의 워크샵 영역을 소유하고 있습니다. 45 자동 공작 기계, 35 개의 반자동 CNC 공작 기계 및 유통 업체는 중국에서 미국 표준 황동 부품 생산에 중요한 공급 업체가 된 유통 업체 ...
  • 명예
  • 명예

지침 & 소식