legines.com
42# SAE 45 ° 플레어 암 커넥터 황동 플레어 피팅

42# SAE 45 ° 플레어 암 커넥터 황동 플레어 피팅

제품 기능 :
■■ 모든 황동 구조
■■ 긴 너트를 사용하여 진동에 저항합니다
■■ ul 리스팅
■■ SAE J512 및 J513의 기능적 요구 사항


시장 : 응용 프로그램 :
■■ 냉각 ■■ 냉매 라인
■■ 헤비 듀티 트럭 ■■ 프로판
■■ 이동하는 ■■ 연료
■■ 산업 ■■ 어댑터
■■ 난방 ■■ 천연 가스
■■ 공기 조절

참조 부품 번호 :
46 -U3- 10227-10248

저희에게 연락하십시오

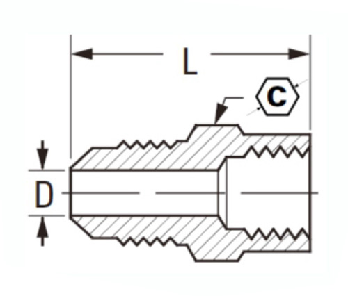
명세서

부분#

플레어 O.디 × 스레드

기음

D

46-3A

3/16 × 1/8

9/16

.126

.58

46-4A

1/4 × 1/8

9/16

.189

.69

46-4B

1/4 × 1/4

11/16

.189

.79

46L-4B

1/4 × 1/4

11/16

.189

.88

46-4C

1/4 × 3/8

13/16

.189

1.06

46-4D

1/4 × 1/2

15/16

.189

1.31

46-5A

5/16 × 1/8

5/8

.219

1.38

46-5B

5/16 × 1/4

11/16

.219

1.44

46-5C

5/16 × 3/8

13/16

.219

1.69

46-6A

3/8 × 1/8

5/8

.282

1.88

46-6B

3/8 × 1/4

11/16

.282

1.87

46L-6B

3/8 × 1/4

13/16

.282

1.31

46-6C

3/8 × 3/8

13/16

.282

1.44

46-6d

3/8 × 1/2

1 "

.282

1.69

46L-6D

3/8 × 1/2

15/16

.282

1.44

46-8B

1/2 × 1/4

3/4

.408

1.60

46-8C

1/2 × 3/8

13/16

.408

1.62

46L-8C

1/2 × 3/8

13/16

.408

1.46

46-8D

1/2 × 1/2

1 "

.408

1.73

46L-8D

1/2 × 1/2

7/8

.408

1.62

46-8E

1/2 × 3/4

1-3/16

.408

1.75

46-10C

5/8 × 3/8

7/8

.500

1.79

46-10D

5/8 × 1/2

1 "

.500

1.98

46-12d

3/4 × 1/2

1-3/16

.625

2.17

46-12E

3/4 × 3/4

1-3/16

.625

2.08

"L"은 빛 패턴을 의미합니다.

이 피팅은 완전 패턴 피팅과 완전히 상호 교환 가능하지만 구체적인 방법으로 수정되었습니다.

이 수정은 일반적으로 배관 및 가벼운 산업 응용 분야에 사용되는 파이프 스레드의 길이입니다.

*치수 데이터는 통지없이 변경 될 수 있습니다

*Ref.sae No.010103

SAE 45 ° 플레어 커넥터는 높은 신뢰성이 필요한 가벼운 듀티 응용 프로그램을 위해 설계되었습니다. 46-U3는 네오프렌 라이너와 함께 니트릴 고무 호스를 사용하여 10,000psi 최대 압력에 사용됩니다. 이 커넥터에는 진동에 저항하고 제품 수명을 연장하는 무거운 너트가 있습니다. SAE Male Flare 피팅은 고장 또는 유지 보수의 경우 피팅을 대체하기 위해 특별한 도구가 필요하지 않은 총검 잠금 링을 사용합니다.

우리와 연락하십시오

에 대한 국경

레거지 산업 기계 인 Inc.

전문 중국 황동 피팅 제조업체 및 피팅 공급 업체를 밀어 넣습니다. 전체 CNC 가공을 채택하고 3600 평방 미터의 워크샵 영역을 소유하고 있습니다. 45 자동 공작 기계, 35 개의 반자동 CNC 공작 기계 및 유통 업체는 중국에서 미국 표준 황동 부품 생산에 중요한 공급 업체가 된 유통 업체 ...
  • 명예
  • 명예

지침 & 소식