legines.com
39# SAE 45 ° 플레어 황동 피팅 플레어 플러그

39# SAE 45 ° 플레어 황동 피팅 플레어 플러그

제품 기능 :
■■ 모든 황동 구조
■■ 긴 너트를 사용하여 진동에 저항합니다
■■ ul 리스팅
■■ SAE J512 및 J513의 기능적 요구 사항


시장 : 응용 프로그램 :
■■ 냉각 ■■ 냉매 라인
■■ 헤비 듀티 트럭 ■■ 프로판
■■ 이동하는 ■■ 연료
■■ 산업 ■■ 어댑터
■■ 난방 ■■ 천연 가스
■■ 공기 조절

참조 부품 번호 :
58-57-439-639F -P2 -PF -2229-10063 ~ 10069

저희에게 연락하십시오

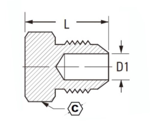
명세서

부분# 튜브 O.D 기음 D1
39-2 1/8 7/16 .079 .47
39-3 3/16 1/2 .126 .58
39-4 1/4 9/16 .189 .69
39-5 5/16 5/8 .220 .79
39-6 3/8 3/4 .282 .88
39-8 1/2 7/8 .408 1.06
39-10 5/8 1-1/16 .502 1.19
39-12 3/4 1-5/16 .627 1.30

*Ref.sae No.010109

이 SAE 45 ° 플레어 황동 피팅은 냉장, 에어컨 및 프로판 라인에 이상적입니다. 진동 저항을위한 긴 너트를 특징으로하며 SAE J512 및 J513 표준과 호환됩니다. 이 피팅은 고품질 황동으로 만들어졌으며 탁월한 성능을 보장하기 위해 정확한 표준으로 제조됩니다.

우리와 연락하십시오

에 대한 국경

레거지 산업 기계 인 Inc.

전문 중국 황동 피팅 제조업체 및 피팅 공급 업체를 밀어 넣습니다. 전체 CNC 가공을 채택하고 3600 평방 미터의 워크샵 영역을 소유하고 있습니다. 45 자동 공작 기계, 35 개의 반자동 CNC 공작 기계 및 유통 업체는 중국에서 미국 표준 황동 부품 생산에 중요한 공급 업체가 된 유통 업체 ...
  • 명예
  • 명예

지침 & 소식