legines.com
70# 단조 된 90 ° 암 팔꿈치 압축 피팅

70# 단조 된 90 ° 암 팔꿈치 압축 피팅

응용 프로그램 : 시장 :
■■ 항공 라인 ■■ 산업
■■ 윤활 라인 ■■ 포장
■■ 냉각 라인 ■■ 영적인
■■ 산업 ■■ 인쇄
■■ 기계
■■ 압축기
■■ 유체 전달

제품 기능 :
■■ SAE J-512의 기능적 요구 사항을 충족합니다
■■ 가연성 액체에 대한 UL
■■ 황동 또는 아세탈 슬리브를 사용할 수 있습니다
■■ 튜브 준비가 없습니다
■■ 단조 및 압출 형 모양

참조 부품 번호 :
70-170C -S70-70A

저희에게 연락하십시오

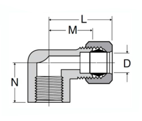
명세서

부분#

튜브 O.디 X FE중ALR NPTF

N

M

D

70-3A

3/16x1/8

.470

.69

.125

70-4A

1/4x1/8

.470

.69

.188

70-4B

1/4x1/4

.562

.75

.188

70-5A

5/16x1/8

.600

.78

.234

70-5B

5/16x1/4

.562

.78

.250

70-6B

3/8x1/4

.580

.81

.312

70-6C

3/8x3/8

.580

.88

.312

70-8B

1/2x1/4

.700

1.00

.312

70-8C

1/2x3/8

.700

1.00

.406

70-8D

1/2x1/2

.880

1.00

.406

*Ref.sae No.060203 Ba

70# 단조 암 팔꿈치는 SAE J-512를 만나기 위해 만들어진 신뢰할 수있는 압축 피팅입니다. 이 피팅은 튜브 축에 비해 90 ° 각도로 설계되었으며 설치 후 언제든지 분기 또는 각도를 만들 수 있습니다. 단조 황동 또는 아세탈 슬리브는 튜브 준비가 필요없이 쉽게 조립할 수 있습니다.
70도 암 팔꿈치는 흐름 제어에 사용되며 가일 강철, 스테인레스 스틸, 알루미늄 및 플라스틱에 사용할 수 있습니다. 70도 암컷 팔꿈치에는 플라스틱 또는 황동 슬리브가 포함되어있어 부식성을 제공합니다. 이 피팅은 부드러운 벽으로 둘러싸인 튜브와 호환되며 목 크기는 조립시 튜브 OD와 일치합니다.

우리와 연락하십시오

에 대한 국경

레거지 산업 기계 인 Inc.

전문 중국 황동 피팅 제조업체 및 피팅 공급 업체를 밀어 넣습니다. 전체 CNC 가공을 채택하고 3600 평방 미터의 워크샵 영역을 소유하고 있습니다. 45 자동 공작 기계, 35 개의 반자동 CNC 공작 기계 및 유통 업체는 중국에서 미국 표준 황동 부품 생산에 중요한 공급 업체가 된 유통 업체 ...
  • 명예
  • 명예

지침 & 소식