legines.com
65# 90 ° 남성 유니온 엘보우 압축 피팅

65# 90 ° 남성 유니온 엘보우 압축 피팅

응용 프로그램 : 시장 :
■■ 항공 라인 ■■ 산업
■■ 윤활 라인 ■■ 포장
■■ 냉각 라인 ■■ 영적인
■■ 산업 ■■ 인쇄
■■ 기계
■■ 압축기
■■ 유체 전달

제품 기능 :
■■ SAE J-512의 기능적 요구 사항을 충족합니다
■■ 가연성 액체에 대한 UL
■■ 황동 또는 아세탈 슬리브를 사용할 수 있습니다
■■ 튜브 준비가 없습니다
■■ 단조 및 압출 형 모양

참조 부품 번호 :
65-265-65A -S65

저희에게 연락하십시오

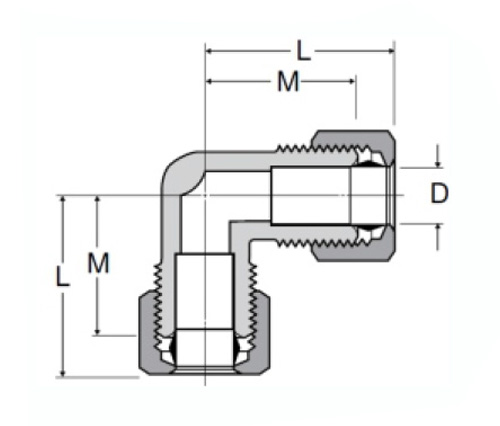
명세서

PRT# 튜브 크기 O.디 D
65-3 3/16 .61 .125
65-4 1/4 .66 .188
65-5 5/16 .69 .250
65-6 3/8 .72 .312
65-8 1/2 .94 .406
65-10 5/8 1.06 .500
65-12 3/4 1.19 .562
65-6-4 3/8x1/4 .75/.69 .125
65-8-6 1/2x3/8 .94/.88 .312

단조 피팅보다 최대 6 배 더 가벼운 65 시리즈는 가벼운 부식성 아세탈 또는 황동 몸체와 단조 황동 중심 핀을 특징으로합니다. 이 피팅을 사용하면 튜브 끝을 90도 각도로 조정할 수 있습니다. 이 피팅은 황동, 스테인레스 스틸 및 아세탈을 포함한 여러 재료 및 마감 처리로 제공됩니다. 각 피팅에는 부품 번호가 표시되어 공급망의 모든 지점에서 쉽게 식별 할 수 있습니다. 이 팔꿈치 하위 조립은 일반적으로 구리 튜브에서 구리 튜브 연결이 권장되는 연료 시스템에서 사용됩니다. 연결을 만드는 데 필요한 스레드 수는 파이프 재료, 벽 두께 및 스레드 피치에 따라 다를 수 있습니다.

우리와 연락하십시오

에 대한 국경

레거지 산업 기계 인 Inc.

전문 중국 황동 피팅 제조업체 및 피팅 공급 업체를 밀어 넣습니다. 전체 CNC 가공을 채택하고 3600 평방 미터의 워크샵 영역을 소유하고 있습니다. 45 자동 공작 기계, 35 개의 반자동 CNC 공작 기계 및 유통 업체는 중국에서 미국 표준 황동 부품 생산에 중요한 공급 업체가 된 유통 업체 ...
  • 명예
  • 명예

지침 & 소식