legines.com
64# 황동 유니온 티 압축 피팅

64# 황동 유니온 티 압축 피팅

황동 조합 티 압축 피팅 64#

응용 프로그램 : 시장 :
■■ 항공 라인 ■■ 산업
■■ 윤활 라인 ■■ 포장
■■ 냉각 라인 ■■ 영적인
■■ 산업 ■■ 인쇄
■■ 기계
■■ 압축기
■■ 유체 전달

제품 기능 :
■■ SAE J-512의 기능적 요구 사항을 충족합니다
■■ 가연성 액체에 대한 UL
■■ 황동 또는 아세탈 슬리브를 사용할 수 있습니다
■■ 튜브 준비가 없습니다
■■ 단조 및 압출 형 모양

참조 부품 번호 :
64-164C -S64-64A

저희에게 연락하십시오

명세서

부분#

튜브 크기 O.디

D

64-2

1/8

/

.53

.94

64-3

3/16

/

.59

.125

64-4

1/4

/

.627

.188

64-5

5/16

/

.65

.250

64-6

3/8

/

.73

.312

64-8

1/2

/

.94

.406

64-10

5/8

/

1.06

.500

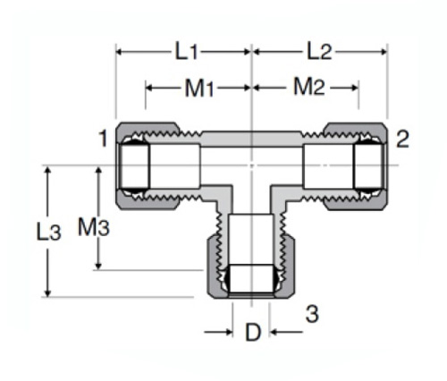
부분#

튜브 크기

M1

M2

M3

64-4-4-6

1/4x1/4x3/8

.69

.69

.75

64-4-6-4

1/4x3/8x1/4

.69

.75

.69

64-6-6-4

3/8x3/8x1/4

.75

.75

.69

64-8-8-6

1/2x1/2x3/8

.94

.94

.81

64-10-10-8

5/8x5/8x1/2

1.06

1.06

1.06

*Ref.sae No.060401 Ba

우리의 64 놋쇠 유니언 티 압축 피팅은 가연성 액체에 대해 UL이며 SAE J-512의 기능적 요구 사항을 충족합니다. 단조 또는 압출 모양으로 제공되며 가공 된 실 및 소켓 스레드와 황동 또는 아세탈 슬리브로 제공됩니다. 황동 또는 acetal 슬리브로 제공되며 모든 구성 요소는 쉽게 설치할 수 있도록 설계되었으므로 설치가 순조롭게 진행됩니다.

우리와 연락하십시오

에 대한 국경

레거지 산업 기계 인 Inc.

전문 중국 황동 피팅 제조업체 및 피팅 공급 업체를 밀어 넣습니다. 전체 CNC 가공을 채택하고 3600 평방 미터의 워크샵 영역을 소유하고 있습니다. 45 자동 공작 기계, 35 개의 반자동 CNC 공작 기계 및 유통 업체는 중국에서 미국 표준 황동 부품 생산에 중요한 공급 업체가 된 유통 업체 ...
  • 명예
  • 명예

지침 & 소식