legines.com
3750# 황동 피팅 남성 런 티 황동 파이프 피팅

3750# 황동 피팅 남성 런 티 황동 파이프 피팅

제품 기능 : 시장 :
■■ 모든 황동 구조 ■■ 산업
■■ 기능 요구 사항을 충족합니다 ■■ 건설
SAE J530 및 SAE J531 ■■ 헤비 듀티 트럭
■■ 음성 표준에 대한 스레드 ■■ 이동하는
■■ 용서와 압출을 모두 사용할 수 있습니다 ■■ 공장/프로세스 자동화

응용 프로그램 : 호환 튜브 :
■■ 항공 라인 ■■ 구리
■■ 워터 라인 ■■ 놋쇠
■■ 냉각 라인 ■■ 철 파이프

명세서:
압력 범위는 최대 1000psi입니다
온도 범위 -65˚ ~ 250˚F

일반적인 응용 프로그램 :
그리스, 연료, LP 및 천연 가스, 냉장, 계통 및 유압 시스템

적합성 :
ASA, ASME 및 SAE의 사양 및 표준을 충족합니다.

참조 부품 번호 :
2225p -225-3750-326-225-127a -28245 ~ 28249

저희에게 연락하십시오

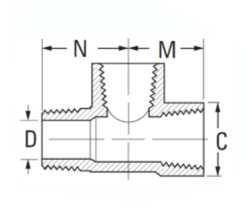
명세서

부분#

스레드 크기

기음

N

3750-A

1/8

9/16

.219

.55

.66

3750-B

1/4

11/16

.312

.78

.90

3750-C

3/8

13/16

.438

.84

.97

3750-D

1/2

1 "

.562

1.09

1.25

3750-E

3/4

1 "-1/4

.750

1.38

1.38

*ref.sae.no.130424

#3750 Male Run Tee Fittings는 황동으로 제조되며 산업, 공장/프로세스 자동화 및 모바일 애플리케이션의 요구를 충족시킵니다. 그들은 가압 된 공기 라인과 연결을 제공합니다. 호환 튜브는 구리, 황동 및 철 파이프로 제공됩니다. 시장에는 건설, 산업 및 중장수 트럭 시장이 포함됩니다. 호환 가능한 재료에는 공기선, 수도관 및 냉각 라인이 포함되어 있으며,이 황동 피팅은 편의를 위해 남성과 여성으로 제공됩니다. 이 재료는 누출과 힘을 발휘하기에 충분히 강해서 모든 날씨 조건에 이상적입니다.  각 피팅은 구리 튜브, 황동 및 기타 품질의 재료로 만들어집니다.

우리와 연락하십시오

에 대한 국경

레거지 산업 기계 인 Inc.

전문 중국 황동 피팅 제조업체 및 피팅 공급 업체를 밀어 넣습니다. 전체 CNC 가공을 채택하고 3600 평방 미터의 워크샵 영역을 소유하고 있습니다. 45 자동 공작 기계, 35 개의 반자동 CNC 공작 기계 및 유통 업체는 중국에서 미국 표준 황동 부품 생산에 중요한 공급 업체가 된 유통 업체 ...
  • 명예
  • 명예

지침 & 소식