legines.com
3200# 익스텐더 어댑터 피팅

3200# 익스텐더 어댑터 피팅

제품 기능 : 시장 :
■■ 모든 황동 구조 ■■ 산업
■■ 기능 요구 사항을 충족합니다 ■■ 건설
SAE J530 및 SAE J531 ■■ 헤비 듀티 트럭
■■ 음성 표준에 대한 스레드 ■■ 이동하는
■■ 용서와 압출을 모두 사용할 수 있습니다 ■■ 공장/프로세스 자동화

응용 프로그램 : 호환 튜브 :
■■ 항공 라인 ■■ 구리
■■ 워터 라인 ■■ 놋쇠
■■ 냉각 라인 ■■ 철 파이프

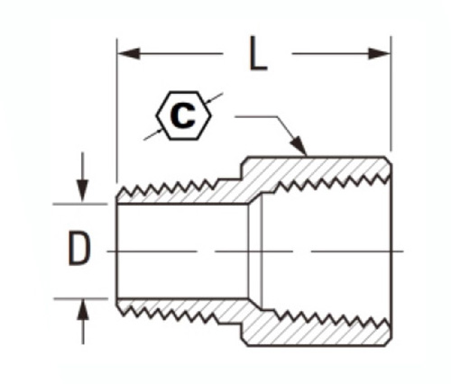
명세서:
압력 범위는 최대 1000psi입니다
온도 범위 -65˚ ~ 250˚F

일반적인 응용 프로그램 :
그리스, 연료, LP 및 천연 가스, 냉장, 계통 및 유압 시스템

적합성 :
ASA, ASME 및 SAE의 사양 및 표준을 충족합니다.

참조 부품 번호 :
375-222P -3200 -R1-120AH -120B

저희에게 연락하십시오

명세서

부분#

스레드 크기

기음

에프

3200-AA

F1/8 × M1/8

1/2

.219

.88

3200L-AA

F1/8 × M1/8

9/16

.219

.83

3200-ba

F1/4 × M1/8

3/4

.219

1.06

3200L-ba

F1/4 × M1/8

11/16

.219

.94

3200ll-ba

F1/4 × M1/8

5/8

.219

.94

3200-bb

F1/4 × M1/4

3/4

.312

1.25

3200L-BB

F1/4 × M1/4

11/16

.312

1.00

3200ll-bb

F1/4 × M1/4

5/8

.312

1.00

3200-ca

F3/8 × M1/8

7/8

.219

1.00

3200-cB

F3/8 × M1/4

7/8

.312

1.25

3200L-CB

F3/8 × M1/4

13/16

.312

1.12

3200-cc

F3/8 × M3/8

7/8

.438

1.24

3200L-CC

F3/8 × M3/8

13/16

.438

1.12

3200-DB

F1/2 × M1/4

1-1/16

.312

1.46

3200-DC

F1/2 × M3/8

1-1/16

.438

1.47

3200L-DC

F1/2 × M3/8

15/16

.438

1.19

3200-DD

F1/2 × M1/2

1-1/16

.562

1.66

3200L-DD

F1/2 × M1/2

15/16

.562

1.31

3200-EC

F3/4 × M3/8

1-1/4

.438

1.59

3200-ed

F3/4 × M1/2

1-1/4

.563

1.69

3200-EE

F3/4 × M3/4

1-1/4

.750

1.69

*L : 빛

*Ref.SAE No.130139

어댑터 피팅은 용서와 압출로 만들어지며 공기 라인, 수도 라인 등을 포함한 광범위한 튜브와 호환됩니다. SAE J530 및 SAE J531 스레드는 대단한 트럭 시장의 기능적 요구 사항을 충족합니다. 구리 및 황동 튜브와 호환되는이 제품은 최대 1000psi의 압력 범위를 처리 할 수 있습니다. RSE의 3200 시리즈 - 시리즈 200 어댑터 피팅은 파이프 길이를 연장하도록 설계되었습니다. 내구성이 뛰어나고 모든 황동 구조는 이러한 커넥터가 산업, 트럭 및 모바일 애플리케이션에 이상적입니다. 이 피팅은 2 인치 파이프 크기를 연결할 수 있으며 500-1000psi 사이의 압력 범위를 가질 수 있으며, 온도는 -65˚ ~ 250˚ Fahrenheit입니다. 3200# Extender Adapter Fitting은 1/2 "에서 2"까지의 튜브 크기가있는 응용 프로그램을 위해 설계되었습니다. 그것은 부식을 방지하는 청동으로 만든 축제 바디를 특징으로하므로 다양한 수압 수준에서 피팅을 사용할 수 있습니다. 암컷 끝은 나사로 나사로 세트가 있습니다.

우리와 연락하십시오

에 대한 국경

레거지 산업 기계 인 Inc.

전문 중국 황동 피팅 제조업체 및 피팅 공급 업체를 밀어 넣습니다. 전체 CNC 가공을 채택하고 3600 평방 미터의 워크샵 영역을 소유하고 있습니다. 45 자동 공작 기계, 35 개의 반자동 CNC 공작 기계 및 유통 업체는 중국에서 미국 표준 황동 부품 생산에 중요한 공급 업체가 된 유통 업체 ...
  • 명예
  • 명예

지침 & 소식