legines.com
3350# 45도 거리 팔꿈치 황동 파이프 피팅

3350# 45도 거리 팔꿈치 황동 파이프 피팅

제품 기능 : 시장 :
■■ 모든 황동 구조 ■■ 산업
■■ 기능 요구 사항을 충족합니다 ■■ 건설
SAE J530 및 SAE J531 ■■ 헤비 듀티 트럭
■■ 음성 표준에 대한 스레드 ■■ 이동하는
■■ 용서와 압출을 모두 사용할 수 있습니다 ■■ 공장/프로세스 자동화

응용 프로그램 : 호환 튜브 :
■■ 항공 라인 ■■ 구리
■■ 워터 라인 ■■ 놋쇠
■■ 냉각 라인 ■■ 철 파이프

명세서:
압력 범위는 최대 1000psi입니다
온도 범위 -65˚ ~ 250˚F

일반적인 응용 프로그램 :
그리스, 연료, LP 및 천연 가스, 냉장, 계통 및 유압 시스템

적합성 :
ASA, ASME 및 SAE의 사양 및 표준을 충족합니다.

참조 부품 번호 :
306-3350-2214P -224-124A

저희에게 연락하십시오

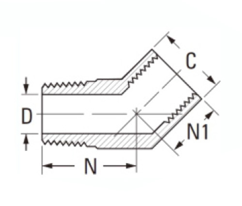
명세서

부분# 스레드 크기 기음 N N1
3350-A 1/8 × 1/8 9/16 .219 .50 .38
3350-B 1/4 × 1/4 11/16 .315 .74 .56
3350-c 3/8 × 3/8 13/16 .438 .78 .56
3350-D 1/2 × 1/2 1 " .562 1.00 .76
3350-E 3/4 × 3/4 1 "-1/4 .750 1.06 .75

*Ref.SAE No.130339

3350은 45도 거리 팔꿈치 모양의 피팅입니다. 피팅은 다양한 배관 재료와 함께 사용되며 최대 1000psi를 견딜 수 있습니다. 또한 숙련 된 제작자 팀이 정확한 사양에 맞게 -65˚에서 250 °f의 작동 온도 범위를 가지고 있습니다. 거리 팔꿈치는 한쪽 끝에 두 개의 파이프 실이 있고 다른 쪽 끝은 파이프에 90 ° 구부러진 파이프 피팅입니다. 거리 팔꿈치는 배관에서 운송에 이르기까지 다양한 산업에서 사용됩니다. 거리 팔꿈치는 여성 또는 남성 구성으로 만들어져 고객이 필요로하는 압력, 온도 및 라인 크기 범위에서 유체 또는 가스의 흐름을 증가시킵니다.

우리와 연락하십시오

에 대한 국경

레거지 산업 기계 인 Inc.

전문 중국 황동 피팅 제조업체 및 피팅 공급 업체를 밀어 넣습니다. 전체 CNC 가공을 채택하고 3600 평방 미터의 워크샵 영역을 소유하고 있습니다. 45 자동 공작 기계, 35 개의 반자동 CNC 공작 기계 및 유통 업체는 중국에서 미국 표준 황동 부품 생산에 중요한 공급 업체가 된 유통 업체 ...
  • 명예
  • 명예

지침 & 소식