legines.com
51# SAE 45 ° 플레어 황동 단조 남성 달리기 티

51# SAE 45 ° 플레어 황동 단조 남성 달리기 티

제품 기능 :
■■ 모든 황동 구조
■■ 긴 너트를 사용하여 진동에 저항합니다
■■ ul 리스팅
■■ SAE J512 및 J513의 기능적 요구 사항


시장 : 응용 프로그램 :
■■ 냉각 ■■ 냉매 라인
■■ 헤비 듀티 트럭 ■■ 프로판
■■ 이동하는 ■■ 연료
■■ 산업 ■■ 어댑터
■■ 난방 ■■ 천연 가스
■■ 공기 조절

참조 부품 번호 :
T3- 151F -51 -10361 ~ 10360

저희에게 연락하십시오

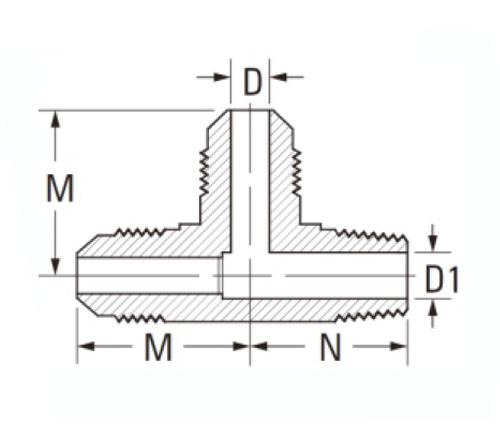
명세서

부분#

플레어 O.디 × 스레드

D

N

51-3 a

3/16 × 1/8

.126

.75

.75

51-4 a

1/4 × 1/8

.189

.78

.75

51-4B

1/4 × 1/4

.189

.88

.88

51-5 a

5/16 × 1/8

.219

.88

.80

51-5B

5/16 × 1/4

.219

1.00

.94

51-6B

3/8 × 1/4

.282

1.00

.94

51-6C

3/8 × 3/8

.282

1.00

1.00

51-6d

3/8 × 1/2

.282

1.12

1.22

51-8C

1/2 × 3/8

.408

1.16

1.09

51-8d

1/2 × 1/2

.408

1.22

1.22

51-10D

5/8 × 1/2

.500

1.41

1.31

51-12d

3/4 × 1/2

.625

1.63

1.59

51-12E

3/4 × 3/4

.625

1.63

1.44

*Ref.sae No.010424

SAE 45 ° 플레어 황동 단조 수컷 달리기 티. 이 부분은 플랜지와 너트를 포함한 모든 황동으로 제조됩니다. 이 피팅은 냉장 및 모바일 연료 라인과 같은 진동이있는 응용 분야에서 사용됩니다. 런 티에는 SAE J512 및 J513의 기능적 요구 사항이 있으며 진동에 저항하는 긴 너트가 있습니다.

우리와 연락하십시오

에 대한 국경

레거지 산업 기계 인 Inc.

전문 중국 황동 피팅 제조업체 및 피팅 공급 업체를 밀어 넣습니다. 전체 CNC 가공을 채택하고 3600 평방 미터의 워크샵 영역을 소유하고 있습니다. 45 자동 공작 기계, 35 개의 반자동 CNC 공작 기계 및 유통 업체는 중국에서 미국 표준 황동 부품 생산에 중요한 공급 업체가 된 유통 업체 ...
  • 명예
  • 명예

지침 & 소식