legines.com
72# 압축 피팅 남성 지점 티

72# 압축 피팅 남성 지점 티

응용 프로그램 : 시장 :
■■ 항공 라인 ■■ 산업
■■ 윤활 라인 ■■ 포장
■■ 냉각 라인 ■■ 영적인
■■ 산업 ■■ 인쇄
■■ 기계
■■ 압축기
■■ 유체 전달

제품 기능 :
■■ SAE J-512의 기능적 요구 사항을 충족합니다
■■ 가연성 액체에 대한 UL
■■ 황동 또는 아세탈 슬리브를 사용할 수 있습니다
■■ 튜브 준비가 없습니다
■■ 단조 및 압출 형 모양

참조 부품 번호 :
72-172C -S72-72A

저희에게 연락하십시오

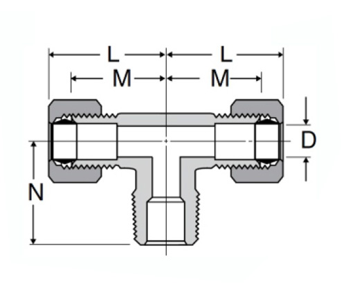
명세서

부분#

튜브 O.디 × 남성 NPTF

N

D

72-3A

3/16 × 1/8

.63

.69

.125

72-4A

1/4 × 1/8

.63

.75

.188

72-4B

1/4 × 1/4

.69

.88

.188

72-5A

5/16 × 1/8

.72

.75

.250

72-5B

5/16 × 1/4

.75

.88

.250

72-6A

3/8 × 1/8

.75

.75

.312

72-6B

3/8 × 1/4

.79

.87

.312

72-6C

3/8 × 3/8

.88

1.00

.330

72-8C

1/2 × 3/8

.94

1.09

.406

72-8D

1/2 × 1/2

.97

1.19

.406

72-10D

5/8 × 1/2

1.06

1.31

.500

모든 압축 피팅은 가연성 액체에 대해 SAE J-512 및 UL의 기능적 요구 사항을 충족하거나 초과하도록 제조됩니다. 그들은 알루미늄 합금, 황동 또는 아세탈로 만들어집니다. 우리의 단조 및 압출 형태는 일반적으로보다 전통적인 피팅에서 발생하는 손상에 대한 저항력이 높습니다. 최대 직경의 2 인치까지 상상할 수있는 모양을 만들 것입니다.
압축 피팅 수컷 분기 티는 구리, 스테인리스 스틸 및 열가소성 파이프와 함께 사용하기위한 90 ° 분기형 티 피팅입니다. 팔꿈치는 360 ° 스위핑을 위해 거친 각도와 티 파이프에 쉽게 연결할 수 있도록합니다.

우리와 연락하십시오

에 대한 국경

레거지 산업 기계 인 Inc.

전문 중국 황동 피팅 제조업체 및 피팅 공급 업체를 밀어 넣습니다. 전체 CNC 가공을 채택하고 3600 평방 미터의 워크샵 영역을 소유하고 있습니다. 45 자동 공작 기계, 35 개의 반자동 CNC 공작 기계 및 유통 업체는 중국에서 미국 표준 황동 부품 생산에 중요한 공급 업체가 된 유통 업체 ...
  • 명예
  • 명예

지침 & 소식