legines.com
79# 압축 피팅 황동 45 ° 수컷 팔꿈치

79# 압축 피팅 황동 45 ° 수컷 팔꿈치

황동 45 ° 수컷 팔꿈치 압축 피팅 79#

응용 프로그램 : 시장 :
■■ 항공 라인 ■■ 산업
■■ 윤활 라인 ■■ 포장
■■ 냉각 라인 ■■ 영적인
■■ 산업 ■■ 인쇄
■■ 기계
■■ 압축기
■■ 유체 전달

제품 기능 :
■■ SAE J-512의 기능적 요구 사항을 충족합니다
■■ 가연성 액체에 대한 UL
■■ 황동 또는 아세탈 슬리브를 사용할 수 있습니다
■■ 튜브 준비가 없습니다
■■ 단조 및 압출 형 모양

참조 부품 번호 :
273-179C -74-77-6945

저희에게 연락하십시오

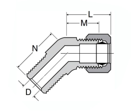
명세서

부분#

튜브 O.디 × 남성 NPTF

N

D

79-3A

3/16 × 1/8

.61

.43

.125

79-4A

1/4 × 1/8

.61

.43

.189

79-4B

1/4 × 1/4

.83

.59

.189

79-5A

5/16 × 1/8

.66

.66

.234

79-5B

5/16 × 1/4

.83

.66

.250

79-6A

3/8 × 1/8

.66

.62

.312

79-6B

3/8 × 1/4

.83

.62

.312

79-6C

3/8 × 3/8

.88

.75

.312

79-8C

1/2 × 3/8

.94

.75

.406

79-8D

1/2 × 1/2

1.13

.94

.406

*Ref.sae No.060302 Ba

압축 피팅은 황동으로 제조되며 압축 페룰과 너트로 조립됩니다. 단조, 압출 된 맨드 렐은 영구 설치를 위해 모든 방향으로 강도를 제공합니다.
이 압축 피팅은 매끄럽고 표준이며 무분별한 끝이있는 배관 튜브에 적합합니다. 또한 상업, 산업, 자동차 및 해양 응용 프로그램을 포함한 다양한 산업에서 커넥터 파이프 피팅으로 사용됩니다.

우리와 연락하십시오

에 대한 국경

레거지 산업 기계 인 Inc.

전문 중국 황동 피팅 제조업체 및 피팅 공급 업체를 밀어 넣습니다. 전체 CNC 가공을 채택하고 3600 평방 미터의 워크샵 영역을 소유하고 있습니다. 45 자동 공작 기계, 35 개의 반자동 CNC 공작 기계 및 유통 업체는 중국에서 미국 표준 황동 부품 생산에 중요한 공급 업체가 된 유통 업체 ...
  • 명예
  • 명예

지침 & 소식