legines.com
1565 Connect Fittings 팔꿈치를 밀어 넣습니다

1565 Connect Fittings 팔꿈치를 밀어 넣습니다

제품 기능 :
■■ 황동 콜렛
■■ Buna n o-ring
■■ 스테인레스 스틸 튜브 지지대
■■ D.O.T. FMVSS571.106
■■ SAE J2494 & SAE J2494-3을 만나십시오

시장 :
■■ 헤비 듀티 트럭
■■ 트레일러
■■ 이동하는

응용 프로그램 :
■■ 에어 브레이크
■■ 에어 탱크
■■ 에어 라이드
■■ 슬라이더
■■ 타이어 인플레이션
■■ 1 차 및 2 차 라인

호환 튜브 :
■■ SAE J844 타입 A & B 나일론 튜브

참조 부품 번호 :
AQ65DOT -165PMT -1865 -DQ65DOT -1565 -DOT

저희에게 연락하십시오

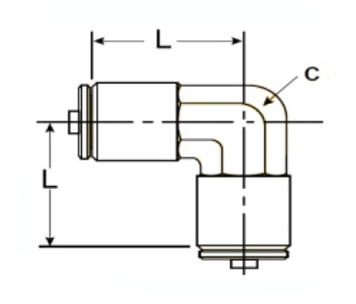
명세서

부분# 튜브 O.D 기음
1565-dot-4 1/4 3/8 .92
1565-dot-6 3/8 1/2 .96
1565-dot-8 1/2 5/8 1.16
1565-DOT-10 5/8 11/16 1.19
1565-DOT-12 3/4 15/16 1.40

SAE J844 Type A, B, C 및 D Nylon 튜브에 적합합니다. Buna O-Ring 및 스테인리스 스틸 튜브와 함께 사용하여 에어 브레이크, 파워 스티어링 라인 등과 같은 호스를 안전하게 설치할 수 있습니다. 피팅은 적절한 기능과 긴 수명을 보장하기 위해 고품질 재료로 제조됩니다 .1565 Connect Fittings 엘보우 푸딩은 고무 튜브에 사용되는 피팅입니다. 황동 콜렛이 있습니다. 이 피팅은 TUSA P/N : 1565-DOT에 의해 제조됩니다. 구상 연결 피팅은 튜브와 함께 사용하여 표준 공압 구성 요소를 사용하는 장벽, 영구 또는 임시 어셈블리를 만듭니다.

우리와 연락하십시오

에 대한 국경

레거지 산업 기계 인 Inc.

전문 중국 황동 피팅 제조업체 및 피팅 공급 업체를 밀어 넣습니다. 전체 CNC 가공을 채택하고 3600 평방 미터의 워크샵 영역을 소유하고 있습니다. 45 자동 공작 기계, 35 개의 반자동 CNC 공작 기계 및 유통 업체는 중국에서 미국 표준 황동 부품 생산에 중요한 공급 업체가 된 유통 업체 ...
  • 명예
  • 명예

지침 & 소식