legines.com
1564 D.O.T 피팅 티를 밀어 넣습니다

1564 D.O.T 피팅 티를 밀어 넣습니다

제품 기능 :
■■ 황동 콜렛
■■ Buna n o-ring
■■ 스테인레스 스틸 튜브 지지대
■■ D.O.T. FMVSS571.106
■■ SAE J2494 & SAE J2494-3을 만나십시오

시장 :
■■ 헤비 듀티 트럭
■■ 트레일러
■■ 이동하는

응용 프로그램 :
■■ 에어 브레이크
■■ 에어 탱크
■■ 에어 라이드
■■ 슬라이더
■■ 타이어 인플레이션
■■ 1 차 및 2 차 라인

호환 튜브 :
■■ SAE J844 타입 A & B 나일론 튜브

참조 부품 번호 :
AQ64DOT -164PMT -1864 -DQ64DOT -1564 -DOT

저희에게 연락하십시오

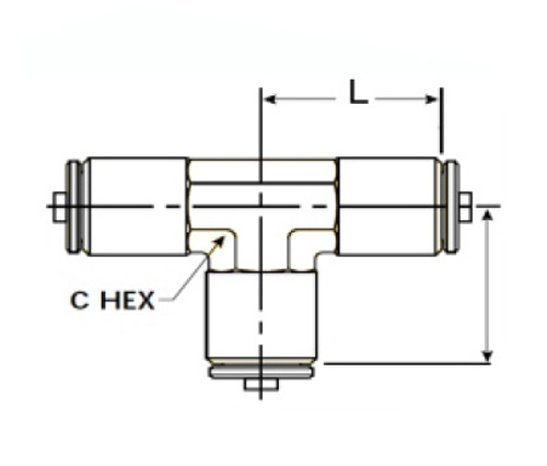
명세서

부분# 튜브 크기 O.D 기음
1564-dot-4 1/4 3/8 .95
1564-dot-6 3/8 1/2 .96
1564-dot-8 1/2 5/8 1.16
1564-DOT-10 5/8 11/16 1.19
1564-DOT-12 3/4 15/16 1.40

AQ64DOT는 피팅 티에 대한 반 유연성 푸시입니다. 고압, 저온 적용을 위해 설계된 O- 링, Buna N이 특징입니다. 이중 튜브 지지대는 고압 적용 중에 튜브에서 꺼내는 것을 방지합니다. 이 제품에 사용되는 재료는 SS304 스테인레스 스틸 및 SAE J2494 및 SAE J2494-3 요구 사항을 충족하는 Buna N O-Ring이있는 황동입니다. 이 제품은 SAE J844 Type A & B Nylon Tubing과 호환됩니다. 1564 DOT 푸시 인 피팅은 황동으로 구성되어 있으며 O- 링 씰, 스테인리스 스틸 튜브 지지대를 특징으로하며 FMVSS571.106, SAE J2494 및 SAE J2494-3을 충족합니다. 헤비 듀티 트럭, 트레일러 및 모바일 장비에서 항공 라인을 운반하는 데 사용할 수 있습니다.이 피팅은 튜브를 자르지 않고도 브레이크 시스템에서 항공선을 쉽게 분리 할 수 있으므로 브레이크를 서비스 할 때 안전을 증가시킵니다. .

우리와 연락하십시오

에 대한 국경

레거지 산업 기계 인 Inc.

전문 중국 황동 피팅 제조업체 및 피팅 공급 업체를 밀어 넣습니다. 전체 CNC 가공을 채택하고 3600 평방 미터의 워크샵 영역을 소유하고 있습니다. 45 자동 공작 기계, 35 개의 반자동 CNC 공작 기계 및 유통 업체는 중국에서 미국 표준 황동 부품 생산에 중요한 공급 업체가 된 유통 업체 ...
  • 명예
  • 명예

지침 & 소식