legines.com
24m 프레스토 매니 폴드

24m 프레스토 매니 폴드

제품 기능 :
■■ 황동 콜렛
■■ Buna n o-ring
■■ 스테인레스 스틸 튜브 지지대
■■ D.O.T. FMVSS571.106
■■ SAE J2494-3을 만납니다
■■ 복합 본문 - 강력하고 가벼우 며 소형 및 충격 저항성
■■ 플러그인 구성

시장 :
■■ 헤비 듀티 트럭
■■ 트레일러
■■ 이동하는

응용 프로그램 :
■■ 에어 브레이크
■■ 에어 탱크
■■ 에어 라이드
■■ 슬라이더
■■ 타이어 인플레이션
■■ 1 차 및 2 차 라인
■■ 택시는 를 제어합니다

저희에게 연락하십시오

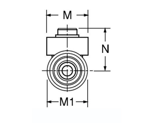
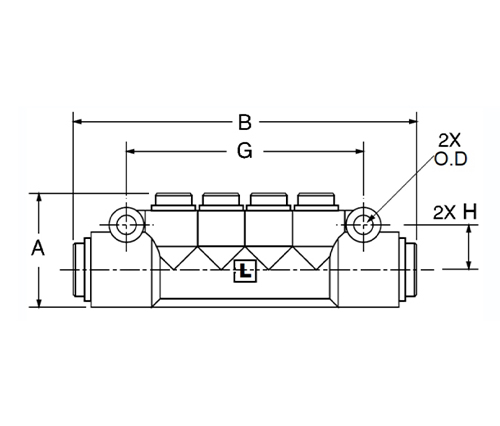
명세서

부분

아니요.

튜브 O.디

lnlet

튜브 O.D

콘센트

에이 D G 시간 M1 N
24m-4-4 1/4 1/4 1.33 3.98 .21 2.75 .53 .90 .88 .89
24m-6-4 3/8 1/4 1.33 4.00 .21 2.75 .53 .90 .88 .89
24m-6-6 3/8 3/8 1.65 6.49 .22 4.55 .60 1.02 1.02 1.33
24m-8-8 1/2 1/2 1.65 6.49 .22 4.55 .60 1.02 1.02 1.33
24m-8-6-4-4-6-8 1/2 3/8 & 1/4 1.65 6.49 .22 4.55 .60 1.02 1.02 1.17

24m Presto Manifold는 쉽고 빠르며 안정적인 서비스를 제공하도록 제작되었습니다. 강하고 경량, 충격 저항성 및 컴팩트 한 설계를 갖춘 복합 본문은 대량을 줄이면 강도를 제공합니다. 24m Presto Manifold는 고압 응용 분야에 대한 D.O.T FMVSS571.106, SAE J2494-3 요구 사항을 충족하도록 설계되었습니다. 플러그 및 플레이 기능은 모든 응용 프로그램에서 최대의 다양성을 허용합니다.

우리와 연락하십시오

에 대한 국경

레거지 산업 기계 인 Inc.

전문 중국 황동 피팅 제조업체 및 피팅 공급 업체를 밀어 넣습니다. 전체 CNC 가공을 채택하고 3600 평방 미터의 워크샵 영역을 소유하고 있습니다. 45 자동 공작 기계, 35 개의 반자동 CNC 공작 기계 및 유통 업체는 중국에서 미국 표준 황동 부품 생산에 중요한 공급 업체가 된 유통 업체 ...
  • 명예
  • 명예

지침 & 소식