legines.com
3500# 황동 피팅 90도 팔꿈치 파이프 피팅

3500# 황동 피팅 90도 팔꿈치 파이프 피팅

제품 기능 : 시장 :
■■ 모든 황동 구조 ■■ 산업
■■ 기능 요구 사항을 충족합니다 ■■ 건설
SAE J530 및 SAE J531 ■■ 헤비 듀티 트럭
■■ 음성 표준에 대한 스레드 ■■ 이동하는
■■ 용서와 압출을 모두 사용할 수 있습니다 ■■ 공장/프로세스 자동화

응용 프로그램 : 호환 튜브 :
■■ 항공 라인 ■■ 구리
■■ 워터 라인 ■■ 놋쇠
■■ 냉각 라인 ■■ 철 파이프

명세서:
압력 범위는 최대 1000psi입니다
온도 범위 -65˚ ~ 250˚F

일반적인 응용 프로그램 :
그리스, 연료, LP 및 천연 가스, 냉장, 계통 및 유압 시스템

적합성 :
ASA, ASME 및 SAE의 사양 및 표준을 충족합니다.

참조 부품 번호 :
2200p -3500-302-28001 ~ 28005-100

저희에게 연락하십시오

명세서

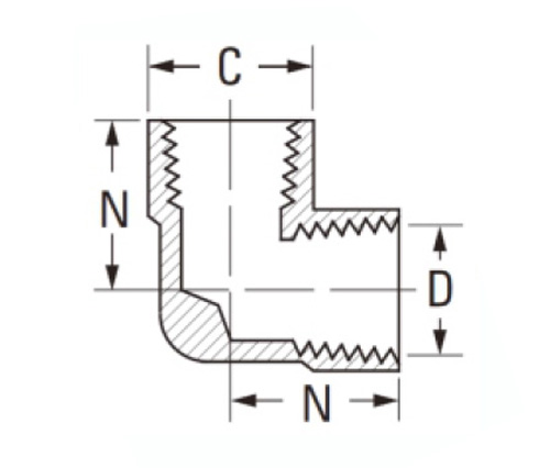
부분# 스레드 크기 기음 N N
3500-A 1/8 × 1/8 9/16 .219 .66 .47
3500-B 1/4 × 1/4 11/16 .315 .91 .72
3500-c 3/8 × 3/8 13/16 .438 .97 .78
3500-D 1/2 × 1/2 1 " .562 1.25 1.03
3500-e 3/4 × 3/4 1 "-1/4 .750 1.38 1.12

참조 번호 130238

황동으로 만든 90도 팔꿈치는 산업 및 건축 응용 분야의 요구를 충족시키기 위해 제조되었습니다. 단조 황동은 압출 제품보다 내구성이 뛰어나고 단단하며 구부러 질 가능성이 적습니다. 우리의 청동 피팅은 또한 충격과 진동에 대한 저항력이 향상됩니다. 우리는 항공선, 수도관, 냉각 라인 등을 포함한 모든 산업 응용 프로그램의 프로젝트를위한 위조 및 압출 파이프 피팅을 제공합니다. 황동 피팅은 최고 품질 표준으로 제조됩니다. 단조 프로세스에서 스레딩 및 엔드 마감에 이르기까지 각 단계는 정밀 도구로 점검됩니다. 이 피팅은 SAE J530 및 SAE J531의 기능적 요구 사항을 충족하며 SAE 표준 SAE J514 및 ASME B16.21과 호환됩니다. 우리는 큰 보어 튜브 크기를 수용하기 위해 두 개의 다른 Barb 구성으로 공장 및 트럭 장착 옵션을 제공합니다. 교체품을 찾고 있거나 시스템을 업그레이드하더라도 Crouse-Hinds는 도움이 될 수 있습니다.

우리와 연락하십시오

에 대한 국경

레거지 산업 기계 인 Inc.

전문 중국 황동 피팅 제조업체 및 피팅 공급 업체를 밀어 넣습니다. 전체 CNC 가공을 채택하고 3600 평방 미터의 워크샵 영역을 소유하고 있습니다. 45 자동 공작 기계, 35 개의 반자동 CNC 공작 기계 및 유통 업체는 중국에서 미국 표준 황동 부품 생산에 중요한 공급 업체가 된 유통 업체 ...
  • 명예
  • 명예

지침 & 소식